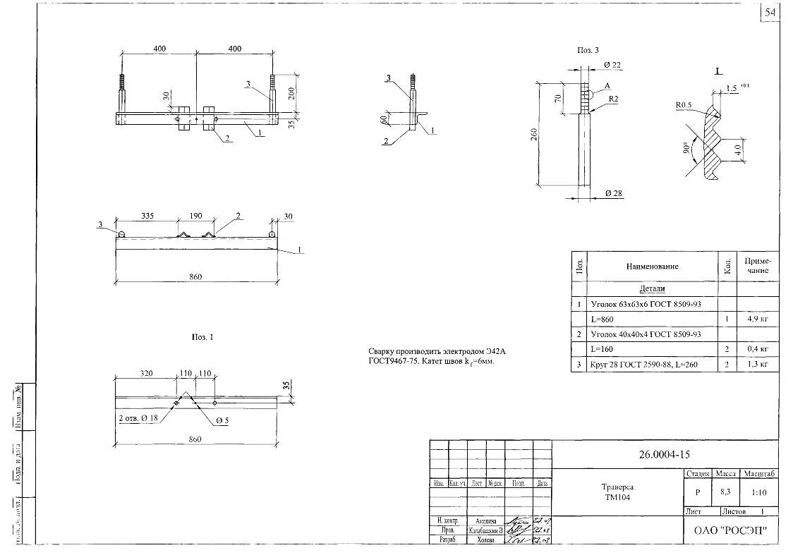
Траверса ТМ-104 (26.0004-15)
Траверса с горизонтальным расположением фаз.
Применяется для крепления штыревых изоляторов на деревянных опорах ВЛЗ 6–10 кВ.
Траверса изготовлена из стали, Защитное покрытие - битумный лак (кузбасслак).
Крепление траверсы на опоре осуществляется при помощи монтажных шпилек М20 или хомута Х-102 (в комплект не входит).
Для фиксации изоляторов на штырях применяется колпачок КП-22.
Изготовлена в соответствии с типовым проектом 26.0004.
Продукция имеет сертификат соответствия.
Со стороны компании ТРЭЙДСИП мы гарантируем прозрачность наших действий по сопровождению сделки, предоставляем необходимые документы для бухгалтерии: счет, договор или контракт, спецификации, универсальный передаточный документ (УПД), акт сверки, товарно-транспортная накладная (ТТН), сертификаты и паспорта на продукцию.
Все документы для оплаты отправляются Вам на электронную почту персональным менеджером.
- Самовывоз
- Доставка до терминала
- Доставка до объекта
