Блог
Компания
  • О компании
  • Новости
  • Отзывы
  • Карьера
  • Бренды
Информация
  • Реквизиты
  • Контакты
  • Документы
  • Политика
    • Политика по качеству
    • Антикоррупционная политика
    • Политика конфиденциальности
    • Использование файлов Cookie
    • Пользовательское соглашение
Контакты
Доставка и оплата
  • Оплата
  • Доставка
  • Гарантия качества
    zakaz@tradesip.ru
    8 800 200 67 57
    8 800 200 67 57 звонок бесплатный
    E-mail
    zakaz@tradesip.ru
    Режим работы
    Пн - Пт: с 9:00 до 18:00


    tradesip.ru
    Поставщик, которого Вы долго искали!
    Арматура на любой вкус
    Арматура на любой вкус
    КВТ
    НИЛЕД
    ВК
    ТЭСЛА
    ЭТФ
    • Арматура для СИП
      Арматура для СИП
      • Ответвительные прокалывающие зажимы
      • Кронштейны и крюки для СИП
      • Зажимы для СИП-2
      • Зажимы для СИП-4
      • Крепежные изделия
      • Наконечники и гильзы
      • Ограничители перенапряжений
    • Арматура для ЛЭП
      Арматура для ЛЭП
      • Анкерные зажимы
      • Защита от дуги
      • Изоляторы
      • Ответвительные зажимы
      • Разрядники
      • Серьга, Ушко, Скоба
      • Соединительные зажимы
      • Плашечные зажимы
      • Спиральные вязки
    • Металлоконструкции для ЛЭП
      Металлоконструкции для ЛЭП
      • Траверсы ТМ
      • Кронштейны
      • Оголовки
      • Хомуты
      • Заземляющие проводники
      • Прочее
      • Узлы крепления укосов
    • Кабельные муфты КВТ
      Кабельные муфты КВТ
      • Концевые муфты 1 кВ      
        • 1ПКТ
        • 2ПКТп
        • 3КВНТп
        • 3ПКТп
        • 4КВНТп
        • 4ПКТп
        • 4РКТп
        • 5ПКТп
        • ККТ нг-LS
      • Соединительные муфты 1 кВ      
        • 1ПCТ-1
        • 2ПСТ-1
        • 3ПСТ-1
        • 4ПСТ-1
        • 5ПСТ-1
        • 3СТп-1
        • 4СТп-1
        • 4РCТ-1
      • Концевые муфты 6 и 10 кВ      
        • 1ПКВТ-10
        • 1ПКНТ-10
        • 3КВТп-10
        • 3КНТп-10
        • 3ПКВТп-10
        • 3ПКНТп-10
        • 3ПКТп-6
        • 3РКВТп-10
        • 3РКНТп-10
        • 3РКТп-6
      • Соединительные муфты 6 и 10 кВ      
        • (1П+3Б)СПТ-10
        • (3П+3Б)СПТ-10
        • 1ПСТ-10
        • 3ПСТ-10
        • 3ПСТ-6
        • 3РСТ-10
        • 3СТп-10
        • 3СТпР-10
      • Переходные на СИП
      • Кабельные муфты 20-35 кВ      
        • 1ПКВТ-20
        • 1ПКВТ-35
        • 1ПКНТ-20
        • 1ПКНТ-35
        • 1ПСТ-20
        • 1ПСТ-35
      • Для уличного освещения
    • Провод СИП
      Провод СИП
      • Крупные сечения
      • Провод СИП-2
      • Провод СИП-3
      • Провод СИП-4
    • Силовой кабель
      Силовой кабель
      • АВБШв
      • ВБШвнг(А)-LS
      • АВВГ
      • ВВГнг(А)-LS
      • ВВГ-Пнг(А)-LS
      • КВВГ
      • КГ
      • ПВС
      • ППГ
      • ПуГВ
    • Опоры ЛЭП
      Опоры ЛЭП
    • Предохранители и корпуса
      Предохранители и корпуса
    • Инструмент для монтажа СИП
      Инструмент для монтажа СИП
    • Устройства заземления
      Устройства заземления
    Войти
    0 Сравнение
    0 Избранное
    0 Корзина
    Траверсы Муфты КВТ Силовой кабель Проколы Предохранители Арматура СИП Провод СИП
    tradesip.ru
    Войти
    0 Сравнение
    0 Избранное
    0 Корзина
    • Кабинет
    • 0 Сравнение
    • 0 Избранное
    • 0 Корзина
    • Бренды
    • Акции
    • Компания
      • Компания
      • О компании
      • Новости
      • Отзывы
      • Карьера
      • Бренды
    • Блог
    • Информация
      • Информация
      • Реквизиты
      • Контакты
      • Документы
      • Политика
        • Политика
        • Политика по качеству
        • Антикоррупционная политика
        • Политика конфиденциальности
        • Использование файлов Cookie
        • Пользовательское соглашение
    • Контакты
    8 800 200 67 57 звонок бесплатный
    • Телефоны
    • 8 800 200 67 57 звонок бесплатный
    • zakaz@tradesip.ru
    • Пн - Пт: с 9:00 до 18:00


    Каталог
    Металлоконструкции для ЛЭП
    Арматура для СИП
    Арматура для ЛЭП
    Кабельные муфты КВТ
    Провод СИП
    Силовой кабель
    Опоры ЛЭП
    Предохранители и корпуса
    Инструмент для монтажа СИП
    Устройства заземления
    Траверсы ТМ
    Кронштейны
    Оголовки
    Хомуты
    Заземляющие проводники
    Прочее
    Узлы крепления укосов
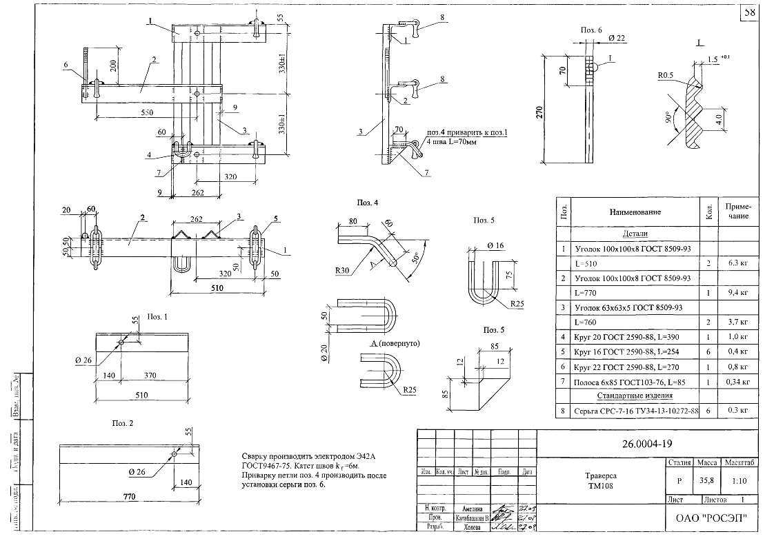
    Траверса ТМ-108 (26.0004-19)
    Траверса ТМ-108 (26.0004-19)
    Траверса ТМ-108 (26.0004-19)
    Траверса ТМ-108 (26.0004-19)
    Траверса ТМ-108 (26.0004-19)
    Траверса ТМ-108 (26.0004-19)
    Траверса ТМ-108 (26.0004-19)
    Траверса ТМ-108 (26.0004-19)
    Траверса ТМ-108 (26.0004-19)
    Траверса ТМ-108 (26.0004-19)
    Траверса ТМ-108 (26.0004-19)

    Траверса ТМ-108 (26.0004-19)

    0
    Арт. ТМ-108
    6 709 ₽
    В наличии
    Видели и подешевле😆
    Хочу в подарок
    Гарантия 5 лет
    Характеристики
    Типовой альбом
    :
    26.0004
    Доступно к заказу
    :
    4
    Вес, кг
    :
    35.8
    Все характеристики
    Описание
    Траверса ТМ-108 (26.0004-19)
    Все описание
    6 709 ₽
    В наличии
    Видели и подешевле😆
    Хочу в подарок
    Гарантия 5 лет
    Обращаем Ваше внимание, что размещенная на данном сайте справочная информация о товарах не является офертой, наличие и стоимость необходимо уточнить у менеджеров ООО "ТРЭЙДСИП", которые с удовольствием помогут Вам в оформлении заказа.
    • Описание
    • Характеристики
    • Отзывы
    • Оплата
    • Доставка

    Траверса ТМ-108 выпускается в соответствии с типовым проектом 26.0004 (26.0004-19)

    При установке опор высоковольтных воздушных ЛЭП номинальным напряжением 10 кВ траверса ТМ-108 используется для крепления проводов линии.

    Производство траверсы ТМ-108 осуществоляется из углеродистой стали, которая отличается высокой прочностью и надежностью. Для придания траверсе антикоррозионной стойкости она покрывается лаком на битумной основе типа БТ-577. 

    Крепление траверсы на опоре ЛЭП выполняется специальными крепежными хомутами, при этом каждый тип хомутов расчитан на применение с определенным видом стойки. Хомуты Х-1 используются со стойками СВ105 ,а хомуты Х-42 - сос тойкой СВ110. Поставка хомутов для определенного вида опор выполняется по отдельному заказу.

    tradesip
    Типовой альбом
    26.0004
    Доступно к заказу
    4
    Вес, кг
    35.8
    Загрузка отзывов...
    0
    Безналичный расчёт - мы работаем только с юридическими лицами или ИП

    Безналичная оплата осуществляется на расчетный счет поставщика и оплачивается бухгалтерией покупателя на основании выставленного менеджером компании ТРЭЙДСИП счета. Отгрузка продукции производится только при условии 100% оплаты. 

    Со стороны компании ТРЭЙДСИП мы гарантируем прозрачность наших действий по сопровождению сделки, предоставляем необходимые документы для бухгалтерии: счет, договор или контракт, спецификации, универсальный передаточный документ (УПД), акт сверки, товарно-транспортная накладная (ТТН), сертификаты и паспорта на продукцию.


    Все документы для оплаты отправляются Вам на электронную почту персональным менеджером.
    Мы предлагаем несколько вариантов доставки:
    • Самовывоз
    • Доставка до терминала 
    • Доставка до объекта
    Просьба учесть, что отгрузка продукции производится только при условии 100% оплаты. У вашего экспедитора должна быть доверенность на получение товара, либо печать компании оплатившей счет.

    С этим товаром покупают

    Быстрый просмотр
    Хомут Х-3 (3.407.1-143.8.49) Хомут Х-3 (3.407.1-143.8.49)
    257 ₽
    Хомут Х-3 (3.407.1-143.8.49)
    0
    0
    В наличии
    Быстрый просмотр
    Хомут Х-7 (3.407.1-143.8.68) Хомут Х-7 (3.407.1-143.8.68)
    166 ₽
    Хомут Х-7 (3.407.1-143.8.68)
    0
    0
    В наличии
    Быстрый просмотр
    Хомут Х-8 (3.407.1-143.8.68) Хомут Х-8 (3.407.1-143.8.68)
    177 ₽
    Хомут Х-8 (3.407.1-143.8.68)
    0
    0
    В наличии
    Быстрый просмотр
    Хомут Х-24 (3.407.1-143.8.73) Хомут Х-24 (3.407.1-143.8.73)
    1 500 ₽
    Хомут Х-24 (3.407.1-143.8.73)
    0
    0
    В наличии
    Быстрый просмотр
    Хомут Х-25 (3.407.1-143.8.50) Хомут Х-25 (3.407.1-143.8.50)
    1 500 ₽
    Хомут Х-25 (3.407.1-143.8.50)
    0
    0
    В наличии
    Быстрый просмотр
    Хомут Х-42 (3.407.1-143.8.49) Хомут Х-42 (3.407.1-143.8.49)
    270 ₽
    Хомут Х-42 (3.407.1-143.8.49)
    0
    0
    В наличии
    Быстрый просмотр
    Хомут Х-51 (Л56-97.01.03) Хомут Х-51 (Л56-97.01.03)
    235 ₽
    Хомут Х-51 (Л56-97.01.03)
    0
    0
    В наличии
    Быстрый просмотр
    Хомут Х-51 (27.0002.42) Хомут Х-51 (27.0002.42)
    417 ₽
    Хомут Х-51 (27.0002.42)
    0
    0
    В наличии
    Быстрый просмотр
    Стяжка Х-89 (21.0112-16) Стяжка Х-89 (21.0112-16) Стяжка Х-89 (21.0112-16) Стяжка Х-89 (21.0112-16)
    1 750 ₽
    Стяжка Х-89 (21.0112-16)
    0
    0
    В наличии

    Вам также может понадобиться

    Быстрый просмотр
    Стойка СВ 95-3с (опора) Стойка СВ 95-3с (опора)
    7 850 ₽
    Стойка СВ 95-3с (опора)
    0
    0
    В наличии
    Быстрый просмотр
    Стойка СВ 95-2 (опора) Стойка СВ 95-2 (опора)
    7 700 ₽
    Стойка СВ 95-2 (опора)
    0
    0
    В наличии
    Быстрый просмотр
    Стойка СВ 110-3,5 (опора) Стойка СВ 110-3,5 (опора)
    9 800 ₽
    Стойка СВ 110-3,5 (опора)
    0
    0
    В наличии
    Быстрый просмотр
    Стойка СВ 110-5 (опора) Стойка СВ 110-5 (опора)
    9 900 ₽
    Стойка СВ 110-5 (опора)
    0
    0
    В наличии
    Назад к списку
    О компании
    О компании
    Новости
    Отзывы
    Карьера
    Бренды
    Информация
    Реквизиты
    Контакты
    Документы
    Политика
    Помощь
    Оплата
    Доставка
    Гарантия качества
    Связаться с нами
    8 800 200 67 57
    8 800 200 67 57 звонок бесплатный
    E-mail
    zakaz@tradesip.ru
    Режим работы
    Пн - Пт: с 9:00 до 18:00


    zakaz@tradesip.ru
    Подписаться
    на новости и акции
    © 2026 ООО "ТРЭЙДСИП", ИНН 5074084685
    Конфиденциальность

    Информация на сайте о технических характеристиках, наличии на складе, стоимости и изображениях товаров не является публичной офертой.

    Все ресурсы сайта tradesip.ru, включая (но не ограничиваясь) текстовую, графическую, фотографическую и видео информацию, структуру, дизайн и оформление страниц, доменное имя, фирменное наименование являются объектами авторского права и прав на интеллектуальную собственность, защищены российским законодательством и международными соглашениями об охране авторских прав.

    Реализация товаров, размещенных в каталоге на сайте, не является дистанционной торговлей и осуществляется по предварительному согласованию наименования, эксплуатационных и технических характеристик, наличия и количества на основании выставленного счета на оплату и/или договоров, заключенных в письменной форме.

    Запрещается любое использование содержания страниц и контента данного сайта на других площадках без предварительного согласия правообладателя. Запрещаются любые иные действия, в результате которых у пользователей Интернета может сложиться впечатление, что представленные материалы не имеют отношения к tradesip.ru.

    Главная Каталог Контакты Блог Реквизиты 0 Корзина Отзывы Компания