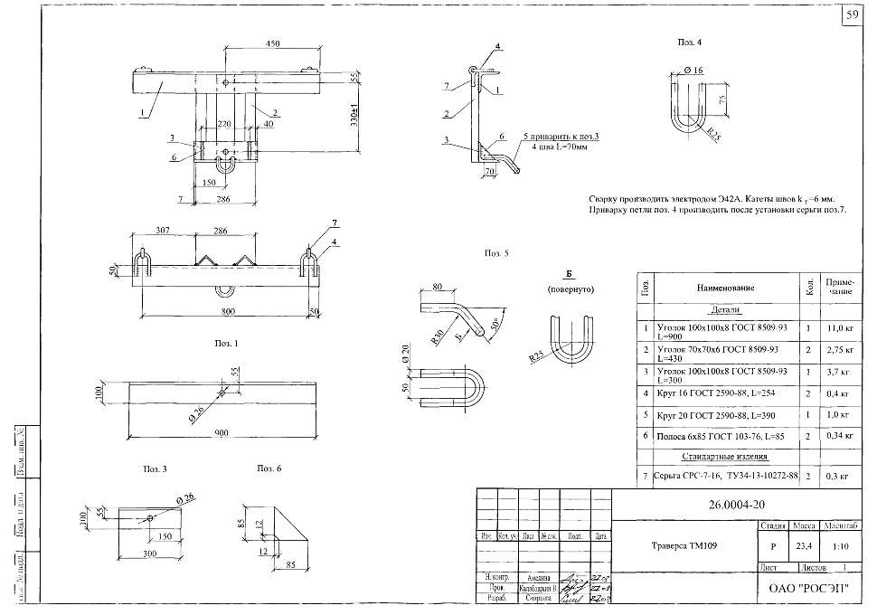
Траверса ТМ-109 (26.0004-20)
Траверса ТМ-198 выпускается в соответствии с типовым проектом 26.0004 (26.0004-20)
При установке опор высоковольтных воздушных ЛЭП номинальным напряжением 10 кВ траверса ТМ-109 используется для крепления проводов линии.
Производство траверсы ТМ-109 осуществоляется из углеродистой стали, которая отличается высокой прочностью и надежностью. Для придания траверсе антикоррозионной стойкости она покрывается лаком на битумной основе типа БТ-577.
Крепление траверсы на опоре ЛЭП выполняется специальными крепежными хомутами, при этом каждый тип хомутов расчитан на применение с определенным видом стойки. Хомуты Х-1 используются со стойками СВ105 ,а хомуты Х-42 - сос тойкой СВ110. Поставка хомутов для определенного вида опор выполняется по отдельному заказу.
Со стороны компании ТРЭЙДСИП мы гарантируем прозрачность наших действий по сопровождению сделки, предоставляем необходимые документы для бухгалтерии: счет, договор или контракт, спецификации, универсальный передаточный документ (УПД), акт сверки, товарно-транспортная накладная (ТТН), сертификаты и паспорта на продукцию.
Все документы для оплаты отправляются Вам на электронную почту персональным менеджером.
- Самовывоз
- Доставка до терминала
- Доставка до объекта
