Блог
Компания
  • О компании
  • Новости
  • Отзывы
  • Карьера
  • Бренды
Информация
  • Реквизиты
  • Контакты
  • Документы
  • Политика
    • Политика по качеству
    • Антикоррупционная политика
    • Политика конфиденциальности
    • Использование файлов Cookie
    • Пользовательское соглашение
Контакты
Доставка и оплата
  • Оплата
  • Доставка
  • Гарантия качества
    zakaz@tradesip.ru
    8 800 200 67 57
    8 800 200 67 57 звонок бесплатный
    E-mail
    zakaz@tradesip.ru
    Режим работы
    Пн - Пт: с 9:00 до 18:00

    tradesip.ru
    Поставщик, которого Вы долго искали!
    Арматура на любой вкус
    Арматура на любой вкус
    КВТ
    НИЛЕД
    ВК
    ТЭСЛА
    ЭТФ
    • Арматура для СИП
      Арматура для СИП
      • Ответвительные прокалывающие зажимы
      • Кронштейны и крюки для СИП
      • Зажимы для СИП-2
      • Зажимы для СИП-4
      • Крепежные изделия
      • Наконечники и гильзы
      • Ограничители перенапряжений
    • Арматура для ЛЭП
      Арматура для ЛЭП
      • Анкерные зажимы
      • Защита от дуги
      • Изоляторы
      • Ответвительные зажимы
      • Разрядники
      • Серьга, Ушко, Скоба
      • Соединительные зажимы
      • Плашечные зажимы
      • Спиральные вязки
    • Металлоконструкции для ЛЭП
      Металлоконструкции для ЛЭП
      • Траверсы ТМ
      • Кронштейны
      • Оголовки
      • Хомуты
      • Заземляющие проводники
      • Прочее
      • Узлы крепления укосов
    • Кабельные муфты КВТ
      Кабельные муфты КВТ
      • Концевые муфты 1 кВ      
        • 1ПКТ
        • 2ПКТп
        • 3КВНТп
        • 3ПКТп
        • 4КВНТп
        • 4ПКТп
        • 4РКТп
        • 5ПКТп
        • ККТ нг-LS
      • Соединительные муфты 1 кВ      
        • 1ПCТ-1 нг-LS
        • 1ПCТ(б)-1 нг-LS
        • 2ПСТ-1
        • 3ПСТ-1
        • 3СТп-1
        • 3СТп-1 (пайка)
        • 3СТп-1 нг-LS
        • 4ПСТ-1
        • 4ПСТ-1 нг-LS
        • 4РCТ-1
        • 4СТп-1
        • 4СТп-1 (пайка)
        • 4СТп-1 нг-LS
        • 5ПСТ-1
        • 5ПСТ-1 нг-LS
      • Концевые муфты 6-10 кВ      
        • 1ПКВТ-10
        • 1ПКНТ-10
        • 3КВТп-10
        • 3КНТп-10
        • 3ПКВТп-10
        • 3ПКНТп-10
        • 3ПКТп-6
        • 3РКВТп-10
        • 3РКНТп-10
        • 3РКТп-6
      • Соединительные муфты 6-10 кВ      
        • (1П+3Б)СПТ-10
        • (3П+3Б)СПТ-10
        • 1ПСТ-10
        • 1ПСТ-10 нг-LS
        • 3ПСТ-10
        • 3ПСТ-10 нг-LS
        • 3ПСТ-6
        • 3РСТ-10
        • 3РСТ-10 нг- LS
        • 3СТп-10
        • 3СТп-10 (пайка)
        • 3СТп-10 нг-LS
        • 3СТпР-10
      • Переходные на СИП
      • Кабельные муфты 20-35 кВ      
        • 1ПКВТ-20
        • 1ПКВТ-35
        • 1ПКНТ-20
        • 1ПКНТ-35
        • 1ПСТ-20
        • 1ПСТ-35
      • Для уличного освещения
    • Провод СИП
      Провод СИП
      • Крупные сечения
      • Провод СИП-2
      • Провод СИП-3
      • Провод СИП-4
    • Силовой кабель
      Силовой кабель
      • АВБШв
      • ВБШвнг(А)-LS
      • АВВГ
      • ВВГнг(А)-LS
      • ВВГ-Пнг(А)-LS
      • КВВГ
      • КГ
      • ПВС
      • ППГ
      • ПуГВ
    • Опоры ЛЭП
      Опоры ЛЭП
    • Предохранители и корпуса
      Предохранители и корпуса
    • Инструмент для монтажа СИП
      Инструмент для монтажа СИП
    • Устройства заземления
      Устройства заземления
    Войти
    0 Сравнение
    0 Избранное
    0 Корзина
    Траверсы Муфты КВТ Силовой кабель Проколы Предохранители Арматура СИП Провод СИП
    tradesip.ru
    Войти
    0 Сравнение
    0 Избранное
    0 Корзина
    • Дублин
    • Кабинет
    • 0 Сравнение
    • 0 Избранное
    • 0 Корзина
    • Бренды
    • Акции
    • Компания
      • Компания
      • О компании
      • Новости
      • Отзывы
      • Карьера
      • Бренды
    • Блог
    • Информация
      • Информация
      • Реквизиты
      • Контакты
      • Документы
      • Политика
        • Политика
        • Политика по качеству
        • Антикоррупционная политика
        • Политика конфиденциальности
        • Использование файлов Cookie
        • Пользовательское соглашение
    • Контакты
    8 800 200 67 57 звонок бесплатный
    • Телефоны
    • 8 800 200 67 57 звонок бесплатный
    • zakaz@tradesip.ru
    • Пн - Пт: с 9:00 до 18:00

    Блог
    Воздушные линии
    Разъединитель РЛНД расшифровка обозначения в энергетике

    Разъединитель РЛНД расшифровка обозначения в энергетике

    13 января 2026

    Разъединители линейные наружной установки (РЛНД) на напряжение 10 кВ нужны для того, чтобы включать и отключать участки электрической цепи высокого напряжения под напряжением, но только если нет нагрузочного тока. Также они позволяют заземлять отключённые участки линий с помощью стационарных заземляющих ножей, если такие ножи предусмотрены конструкцией.

    Разъединители производятся в трёхполюсном или двухполюсном исполнении. Каждый полюс включает в себя по одной неподвижной и подвижной колонке. Главные ножи поворачиваются в горизонтальной плоскости.
    В устройствах с гибкой связью контакт подвижной колонки связан с контактным выводом через гибкую связь.

    Расшифровка РЛНД-1-10II/400 УХЛ1

    Р
    - разъединитель
    Л
    - линейный
    Н
    - наружной установки
    Д
    - двухколонковый

    1

    -

    количество заземляющих ножей на полюс (1 – только с одной стороны или 2 – с обеих сторон)

    10

    -

    номинальное напряжение, кВ

    II

    -

    допустимый уровень загрязнения окружающей среды (IV – для полимерных установок, II – для изделий из фарфора)

    400

    -

    номинальный ток, А (400 А / 630 А)

    УХЛ1

    -

    вид климатического исполнения и категория размещения по ГОСТ 15150-69

    Расшифровка ПРНЗ-10 УХЛ1

    П
    - привод
    Р
    - ручной
    Н
    - наружной установки
    З
    - с приводом для заземляющих ножей

    10

    -

    для управления разъединителем на напряжение 10 кВ

    УХЛ1

    -

    вид климатического исполнения и категория размещения по ГОСТ 15150-69

    Для управления разъединителями используются ручные приводы моделей ПРНЗ-10 УХЛ1 или ПРНЗ.2-10 УХЛ1 (для разъединителей с двумя заземляющими ножами).

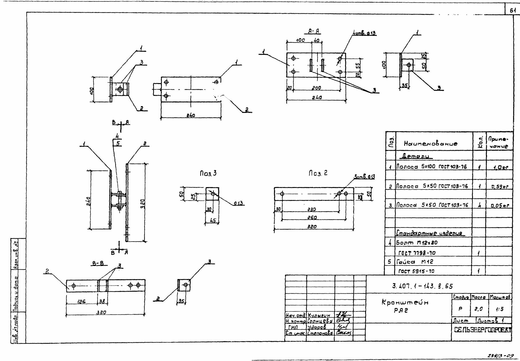
    Основные компоненты разъединителя: рама, подвижные и неподвижные колонки изоляторов, токоведущая система и заземляющий контур. В комплект поставки разъединителей РЛНД комплект монтажных частей (КМЧ) не входит.

    Комплект монтажных частей (КМЧ) РЛНД для крепления к опоре состоит из:

    Кронштейн РА-1 - 1шт
    Кронштейн РА-2 - 1шт
    Кронштейн РА-5 - 3шт
    Вал привода РА-3 - 2шт
    Хомут Х-7 - 2шт
    Хомут Х-8 - 1шт

    Товары

    Быстрый просмотр
    Хомут Х-7 (3.407.1-143.8.68) Хомут Х-7 (3.407.1-143.8.68)
    270 ₽
    Хомут Х-7 (3.407.1-143.8.68)
    0
    0
    В наличии
    Быстрый просмотр
    Хомут Х-8 (3.407.1-143.8.68) Хомут Х-8 (3.407.1-143.8.68)
    270 ₽
    Хомут Х-8 (3.407.1-143.8.68)
    0
    0
    В наличии
    Быстрый просмотр
    Кронштейн РА-5 (3.407.1-143.8.67) Кронштейн РА-5 (3.407.1-143.8.67) Кронштейн РА-5 (3.407.1-143.8.67)
    400 ₽
    Кронштейн РА-5 (3.407.1-143.8.67)
    0
    0
    В наличии
    Быстрый просмотр
    Вал привода РА-3 (3.407.1-143.8.69) Вал привода РА-3 (3.407.1-143.8.69)
    3 200 ₽
    Вал привода РА-3 (3.407.1-143.8.69)
    0
    0
    В наличии
    Быстрый просмотр
    Кронштейн РА-2 (3.407.1-143.8.65) Кронштейн РА-2 (3.407.1-143.8.65)
    550 ₽
    Кронштейн РА-2 (3.407.1-143.8.65)
    0
    0
    В наличии
    Быстрый просмотр
    Кронштейн РА-1 (3.407.1-143.8.64) Кронштейн РА-1 (3.407.1-143.8.64)
    3 400 ₽
    Кронштейн РА-1 (3.407.1-143.8.64)
    0
    0
    В наличии
    • Комментарии
    Загрузка комментариев...
    Назад к списку
    О компании
    О компании
    Новости
    Отзывы
    Карьера
    Бренды
    Информация
    Реквизиты
    Контакты
    Документы
    Политика
    Помощь
    Оплата
    Доставка
    Гарантия качества
    Связаться с нами
    8 800 200 67 57
    8 800 200 67 57 звонок бесплатный
    E-mail
    zakaz@tradesip.ru
    Режим работы
    Пн - Пт: с 9:00 до 18:00

    zakaz@tradesip.ru
    Подписаться
    на новости и акции
    © 2026 ООО "ТРЭЙДСИП", ИНН 5074084685
    Конфиденциальность

    Информация на сайте о технических характеристиках, наличии на складе, стоимости и изображениях товаров не является публичной офертой.

    Все ресурсы сайта tradesip.ru, включая (но не ограничиваясь) текстовую, графическую, фотографическую и видео информацию, структуру, дизайн и оформление страниц, доменное имя, фирменное наименование являются объектами авторского права и прав на интеллектуальную собственность, защищены российским законодательством и международными соглашениями об охране авторских прав.

    Реализация товаров, размещенных в каталоге на сайте, не является дистанционной торговлей и осуществляется по предварительному согласованию наименования, эксплуатационных и технических характеристик, наличия и количества на основании выставленного счета на оплату и/или договоров, заключенных в письменной форме.

    Запрещается любое использование содержания страниц и контента данного сайта на других площадках без предварительного согласия правообладателя. Запрещаются любые иные действия, в результате которых у пользователей Интернета может сложиться впечатление, что представленные материалы не имеют отношения к tradesip.ru.

    Главная Каталог Контакты Блог Реквизиты 0 Корзина Отзывы Компания