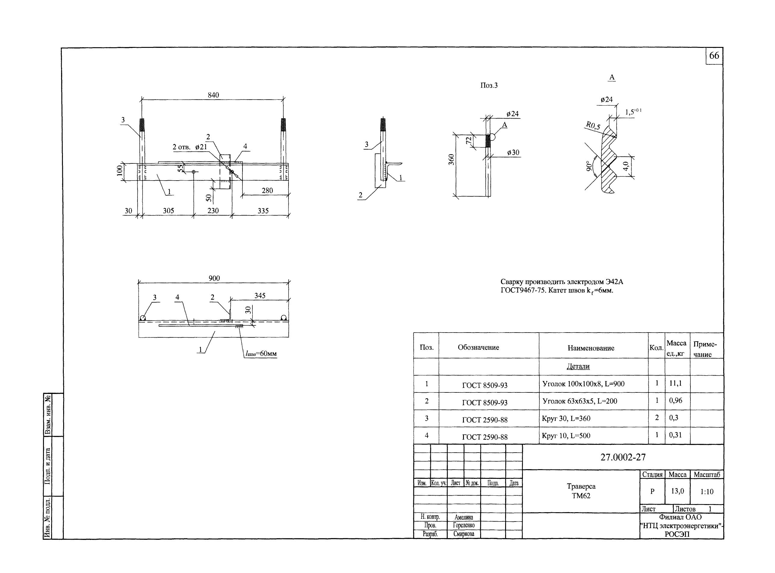
Траверса ТМ-62 (27.0002.27)
В процессе проведения воздушных высоковольтных ЛЭП напряжением 10 кВ траверса ТМ-62 используется для крепления прокладываемых проводов на опорах ЛЭП.
Прочность и долговечность траверсы обеспечиваются свойствами углеродистой стали, применяемой при производстве траверсы, а покрытие лаком на битумной основе марки БТ-577 способствует антикоррозионной защите.
В зависимости от используемых опор крепление траверсы осуществляется различными типами крепежных хомутов. Хомутами Х-1 выполняется крепление траверсы к стойке СВ105. Хомутами Х-42 травесры крепится на стойке СВ110. Заказ и поставка необходимых хомутов осуществляется отдельно.
Со стороны компании ТРЭЙДСИП мы гарантируем прозрачность наших действий по сопровождению сделки, предоставляем необходимые документы для бухгалтерии: счет, договор или контракт, спецификации, универсальный передаточный документ (УПД), акт сверки, товарно-транспортная накладная (ТТН), сертификаты и паспорта на продукцию.
Все документы для оплаты отправляются Вам на электронную почту персональным менеджером.
- Самовывоз
- Доставка до терминала
- Доставка до объекта
