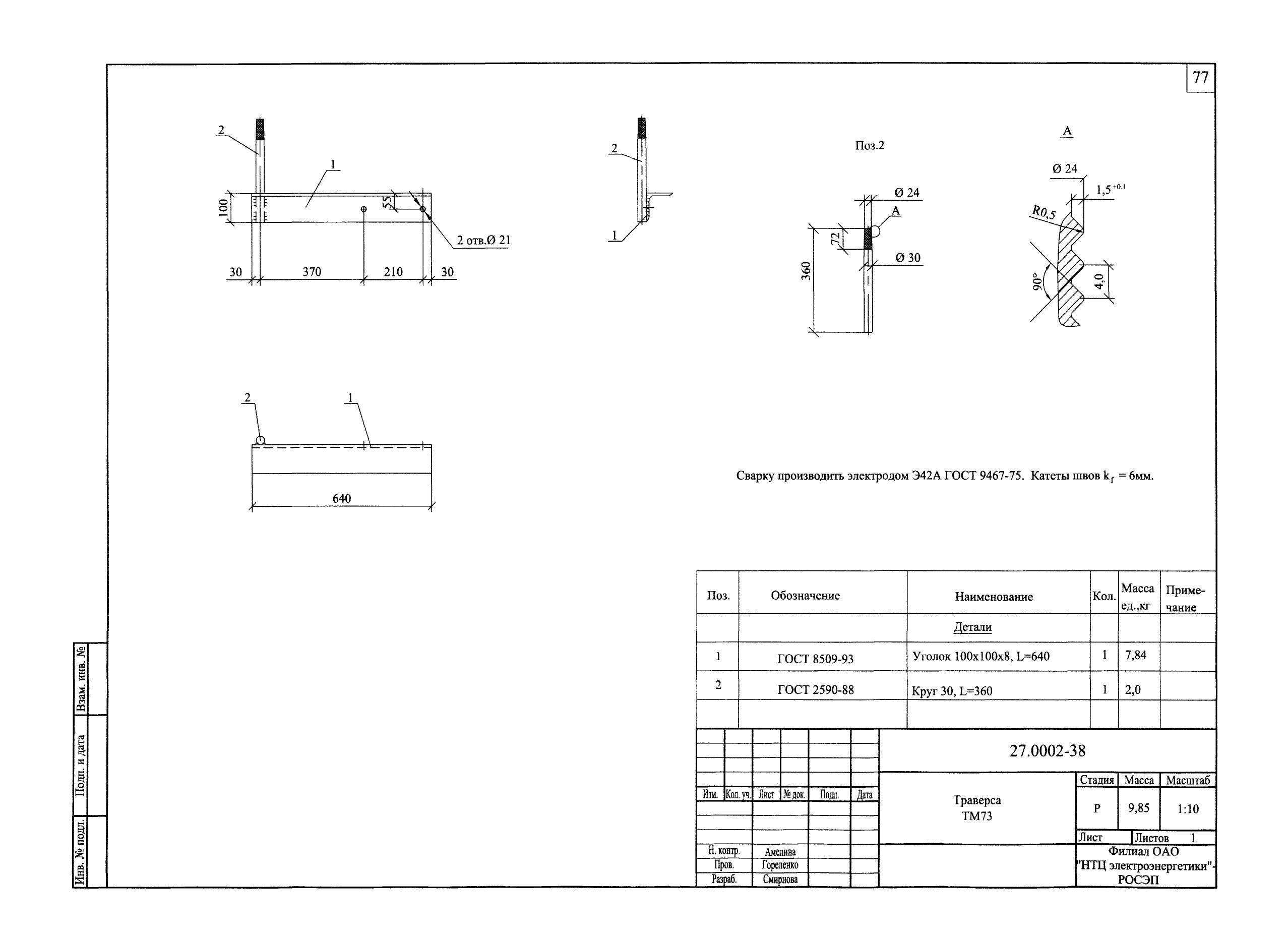
Траверса ТМ-73 (27.0002.38)
Траверсы ТМ-73 (проект 27.0002-38) предназначены для выполнения крепления провода к стойкам СВ в период монтажа и установки анкерных опор ЛЭП 10 кВ.
К траверсе ТМ-73 приваренны пять петель, которые оборудованны серьгами марки СРС7-16.
Крепление траверсы ТМ-73 на стойки СВ выполняется с использованием крепёжного хомута марки Х-51, заказывать который необходимо отдельно.
Траверсы ТМ-73 изготавливаются только из качественной стали углеродистой, что придает изделию необходимую прочность. Антикоррозийное покрытие (лак БТ-577) предохраняет траверсы от воздействия окружающей среды и способствует долговременной работе.
Со стороны компании ТРЭЙДСИП мы гарантируем прозрачность наших действий по сопровождению сделки, предоставляем необходимые документы для бухгалтерии: счет, договор или контракт, спецификации, универсальный передаточный документ (УПД), акт сверки, товарно-транспортная накладная (ТТН), сертификаты и паспорта на продукцию.
Все документы для оплаты отправляются Вам на электронную почту персональным менеджером.
- Самовывоз
- Доставка до терминала
- Доставка до объекта
